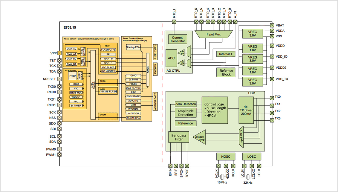
功能框图
基于E703.15设计了完整的超声波水表解决方案,具有流量测量、数据储存、LCD显示、M-BUS抄表等功能。
产品推荐
| 序号 | 器件名称 | 型号 | 厂家 | |
|---|---|---|---|---|
| 1 | 主芯片 | E703.15 | ELMOS | ![]() |
| 2 | LCD驱动 | PCF8551 | NXP | ![]() |
| 3 | 读卡芯片 | FM17520 | 复旦微 | ![]() |
| 4 | EEPROM | FM24C02 | ||
| 5 | M-BUS芯片 | NCN5150 | onsemi | ![]() |
方案优势
> 高度集成
E703.15 内嵌16位 MCU,具有超声波测量外设、高精度浮点运算单元、常用的基本外设。

> 精确首波检测
E703.15 内嵌16位E703.15 具有内部电压比较器,可以检测三个电压等级 High Level、Low Level、Trigger Level,每个电压等级可以单独设置。通过三个电压等级的检测可以精确捕获首波位置。

> 自动增益
E703.15内部具有两级放大器,第一级放大器最小增益是1.76,最大增益是104.5,第二级放大器最小增益0.64,最大增益65.3,因此联合增益范围是1.13~6824。同时具有硬件高通和低通滤波。根据首波检测电压,可以软件自动调节内部增益。

参考设计

Flow Meter
宽量程比(400:1)
低始动流量
高精度低成本
流量传感器欠压报警、空管提示、滴漏警告
内置锂电池供电确保使用(6+1)年以上
可选择 M-BUS 或者无线通信接口
资料下载





